555集成电路
词条创建时间:2023-06-08浏览次数:1171
555集成电路控制方式比较简单,使用可靠、寿命长,是一种价格低、体积小、便于自制的光电控制开关电路。可用于工业生产和家用电器等的控制。
555集成电路原理
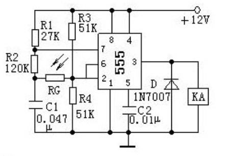
电路原理如图1所示。无光照射时,光敏电阻RG 的阻值很大(1MΩ以上),555 集成电路的2脚、6脚电压约为电源电压的1/2(6V),3 脚输出低电平,KA线圈无电,继电器释放。当有光线照射到光敏电阻RG上时, RG 阻值会大幅下降(小于10KΩ),555的2脚、6脚电压降到电源电压的1/3(4V)以下,3脚输出高电平,KA 线圈得电,继电器吸合,即使光照消失,KA仍保持吸合状态。其后,如再有光线照射到光敏电阻RG 上,则电容C1 储存的电压通过RG加到555 的6脚,使6脚的电压大于电源电压的2/3(8V),3脚输出低电平,KA 线圈失电,继电器释放,电路恢复到原始状态。光敏电阻RG每受光照射一次,电路的开关状态就转换一次。

555集成电路应用
555 集成电路大量应用于电子控制、电子检测、仪器仪表、家用电器、音响报警、电子玩具等诸多方面。可用作振荡器、脉冲发生器、延时发生器、定时器、方波发生器、单稳志触发振荡器、双稳态多谐振荡器、自由多谐振荡器、锯齿波产生器、脉宽调制器、脉位调制器等等。
555集成电路特点
(1) 555在电路结构上是由模拟电路和数字电路组合而成,它将模拟功能与逻辑功能兼容为一体,能够产生精确的时间延迟和振荡。它拓宽了模拟集成电路的应用范同。
(2)该电路采用单电源。双极型555的电压范围为4.5V~15V;而CMOS型的电源适应范围更宽,为2V~18V。这样,它就可以和模拟运算放大器和TTL或CMOS数字电路共用一个电源。
(3) 555可独立构成个定时电路,且定时精度高。
(4) 555的最大输出电流选200mA,带负载能力强。可直接驱动小电机、喇叭、继电器等负载。
购物指南
消费保障
关于我们
