倒顺开关
词条创建时间:2021-07-09浏览次数:4223
倒顺开关,是具有三个位置,可正接,反接,断开电动机定子绕组,使单台异步电动机正转,反转,停止的一种机械开关电器。也叫做转换开关,它起接通或断开电源和负载的作用。也可以使电动机正转或反转,正常是给三相小功率电机做正反转用的电气元件。
倒顺开关简介
倒顺开关也叫顺逆开关。它的作用是连通、断开电源或负载,可以使电机正转或反转,主要是给单相、三相电动机做正反转用的电气元件,但不能作为自动化元件 。
倒顺开关结构
开关由手柄、凸轮、触头组成,凸轮和触头装在防护外壳内,触头共5 对,其中一对为正反转共用,两对控制电动机正转,另两对控制电动机反转,触头为桥式双断点。转动手柄,带动凸轮转动,使触头进行接通和分断。
倒顺开关原理
三相电源提供一个旋转磁场,使三相电机转动,因电源三相的接法不同,磁场可顺时针或逆时针旋转,为改变转向,只需要将电动机电源的任意两相相序进行改变即可完成。如原来的相序是A、B、C,只需改变为A、C、B或C、B、A。一般的倒顺开关有两排六个端子, 调相通过中间触头换向接触,达到换相目的。以三相电机倒顺开关为例:设进线A.B.C三相,出线也是A-B-C,因ABC三相是各各相隔120度,连接成一个圆周,设这个圆周上的ABC是顺时针的,连接到电机后,电机为顺时针旋转。
如在开关内将B.C切换一下,A照旧不动,使开关的出线成了A-C-B,那这个圆周上的ABC排列就成了逆时针的,连接到电机后,电机也为逆时针旋转,这个切换开关就是倒顺开关。
如将它的把手往左扳,出线是A-B-C;
如将它的把手扳到中间,A-B-C全部断开,处于关的状态;
如将它的把手往右扳,出线是A-C-B,电机的转动方向就与往左扳时相反 。

倒顺开关分类
倒顺开关三相倒顺开关
对于三相电机要实现电机的正反转,就是通过调整输入电机的三相交流电的相序就能实现电机反转,因此,三相倒顺开关就是通过改变输出端两根相线的位置,达到变换相序从而控制电机正反转的目的。
倒顺开关单相倒顺开关
单相电机的正反转是通过控制转子线圈的电压提前角控制电机的正反转,一般电机线圈中都串有一个电容,通过改变电容在电机线圈的串联位置,达到控制电机正反转的目的。
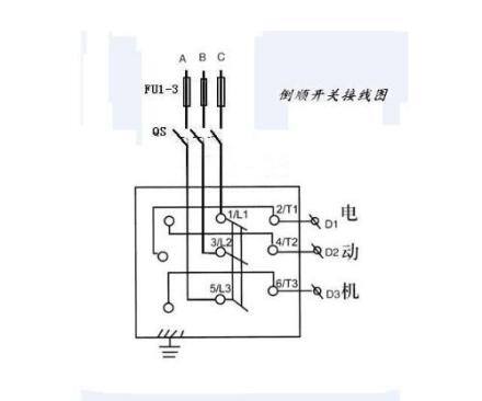
倒顺开关倒顺开关接线图
倒顺开关就是控制电机倒转或正转的开关。倒顺开关的外形图 “黑龙” 的图片很全面的,图2是倒顺开关的接线图 。

倒顺开关应用
倒顺开关主要应用在设备需正、反 两方向旋转的场格,如:电动车、吊车、电梯、升降机等。
倒顺开关有三个位置,中间一个是分开位置,往一边拨动电机的运转反向与另一边反向相反,简而言之就是控制电机的正反转。
一般很少用这种开关了,大部分都改成用接触器组合控制 。
倒顺开关使用条件
1.海拔高度:不超过2000m。
2.周围空气温度-5℃ +40℃,24h内平均温度不超过+35℃。
3.大气条件:在+40℃时大气相对湿度不超过50%,在较低温度下可以有较高的相对湿度,最湿月的月平均最 低温度不超过+25℃,该月的月平最均大相对湿度不超过90%,并考虑因温度变化发生在产品上的凝露。
4.与垂直面的倾斜度不超过±5°。
5.在无爆炸危险介质中,且介质中无足以腐蚀金属和破坏绝缘的气体及导电尘埃存在的地方。
6.在有防雨雪设备及没有充满水蒸汽的地方。
7.在无显着摇动、冲击和振动的地方。
8.由于倒顺开关无失压保护、无零位保护,根据《施工现场临时用电安全技术规范》JGJ46-2005中的第9.1.5条:“正反转控制装置中的控制电器应采用接触器、继电器等自动控制电器,不得采用手动双向转换开关作为控制电器” ,倒顺开关不能用于建筑工程施工机械的控制。
倒顺开关基本检修
倒顺开关由于长时间工作,会使触头磨损、弹簧疲劳,致使动触头与静触头接触不良。
(1)触头轻度磨损,可改变静触头的弧度使动静触头接触良好,若磨损严重应更换新触头。
(2)倒顺开关接线时,一定要将开关的结构搞清除,以免造成相间短路。
倒顺开关安装事项
1 .电动机及倒顺开关的外壳必须可靠接地,必须将接地线接到倒顺开关的接地螺钉上,切忌接在开关的罩壳上
2 .倒顺开关的进出线切忌接错,接线时,应看清开关线端标记,并使L1,L2,L3接电源,U/V/W接电动机,否则会造成两相电源短路
3 .倒顺开关的操作顺序要正确
4 .倒顺开关正反转控制电路适用于小容量电动机的正反转控制
购物指南
消费保障
关于我们
